芯城品牌采购网 > 品牌资讯 > DRAM

募资295亿冲击科创板!长鑫科技引领国产DRAM突围-芯城品牌采购网

12月30日,国产DRAM龙头长鑫科技正式向上交所递交科创板招股书,拟募资295亿元,聚焦存储器晶圆制造量产线技术升级、DRAM技术迭代及前瞻技术研发,剑指全球市场更高份额。中金公司与中信建投担任此次IPO保荐机构。长期以来,DRAM市场被三星、SK海力士、美光三大巨头垄断,合计市占率超90%,我国本土自给率偏低。2016年成立的长鑫科技扛起国产替代大旗,突破关键核心技术并实现商业化量产,填补中国

芯城品牌采购网

9168

当前的内存危机已深刻影响PC行业各环节,多数PC厂商对内存短缺束手无策。为应对成本上升和供应紧张,不少厂商已被迫提高产品价格,而持续的内存短缺可能导致未来几年新产品上市延期。然而,有消息称,华硕计划通过自建DRAM生产线,主动应对内存供应问题。据报道,华硕可能最早在2026年大规模进军DRAM市场。若内存价格和供应难以恢复正常,华硕计划在2026年第二季度末前建立专门的DRAM生产线。目前业界普遍

芯城品牌采购网

4672

三星攻克10nm以下DRAM工艺-芯城品牌采购网

12月16日,三星电子与三星先进技术研究院在IEEE国际电子器件会议上重磅宣布,成功研发出10nm以下DRAM内存制造技术,为AI、数据中心等高算力场景的存储需求突破提供了核心支撑,再度刷新行业技术天花板。此次突破的核心在于创新的单元-外围电路(CoP)架构。不同于传统技术将外围晶体管置于存储单元下方的设计,三星采用存储单元堆叠在了你外围电路之上的全新方案,从根源上解决了传统架构中晶体管在高温堆叠

芯城品牌采购网

8603

据报道,SK海力士会长崔泰源近日在一场半导体行业论坛上表示,公司正加速调整韩国利川M15与M16晶圆厂的产线配置,预计到2026年,标准型DRAM产能将较今年提升超过10%,以应对市场供需失衡问题。随着人工智能(AI)应用快速普及,全球DRAM市场正面临前所未有的供应紧张局面。由于面向AI的内存产品利润率更高,主要存储晶圆厂纷纷将产能转向高附加值产品,如HBM、GDDR及DDR5等,挤压了消费级标

芯城品牌采购网

11882

三星调整存储战略!加码DRAM暂缓HBM-芯城品牌采购网

存储市场格局生变。11月19日,据行业消息披露,三星电子正对存储业务进行重大战略转向:在DRAM价格两个月暴涨60%的红利期,全力加码通用型DRAM产能以抢占利润高地,同时暂缓高带宽存储器(HBM)的扩张计划。这一“弃长就短”的决策,直指“盈利最大化”的核心目标。当前DRAM市场的火爆行情,成为三星战略倾斜的直接诱因。DDR5、LPDDR5X、GDDR7等主流产品价格持续攀升,以三星32GBDDR

芯城品牌采购网

18041

三星电子与SK海力士计划在第四季度将DRAMNAND闪存价格上调高达30%。投行预测DRAM平均售价将上涨25-26%。这一趋势由谷歌、微软等科技公司对AI数据中心的大量投资驱动。预计到2030年,HBM市场规模将突破1000亿美元,新一代HBM4价格较当前产品高出60%。  行业预计DRAMNAND价格上涨趋势将延续至2026年,花旗预测DRAM同比上涨37%,NAND同比上涨39%。为应对

芯城品牌采购网

15927

DDRSDRAM-芯城品牌采购网

DDRSDRAM简介DDR内存是更先进的SDRAMSDRAM只在时钟周期的上升沿传输指令、地址和数据。而DDR内存的数据线有特殊的电路,可以让它在时钟的上、下沿都传输数据。所以DDR在每个时钟周期可以传输两个数据,而SDRAM只能传输一个数据。举例来说,DDR266能提供266MHz×2×4B=2.1GB/s的内存带宽。另外,由于它是基于SDRAM的设计制造技术,因此厂房、流水线等设备的更新成本

芯城品牌采购网

11838

Dram芯片类型DRAM分为很多种,常见的主要有FPRAM/FastPage、EDORAM、SDRAM、DDRRAM、RDRAM、SGRAM以及WRAM等,这里介绍其中的一种DDRRAM。DDRRAM(Date-RateRAM)也称作DDRSDRAM,这种改进型的RAM和SDRAM是基本一样的,不同之处在于它可以在一个时钟读写两次数据,这样就使得数据传输速度加倍了。这是目前电脑中用得最多的内存,而

芯城品牌采购网

11640

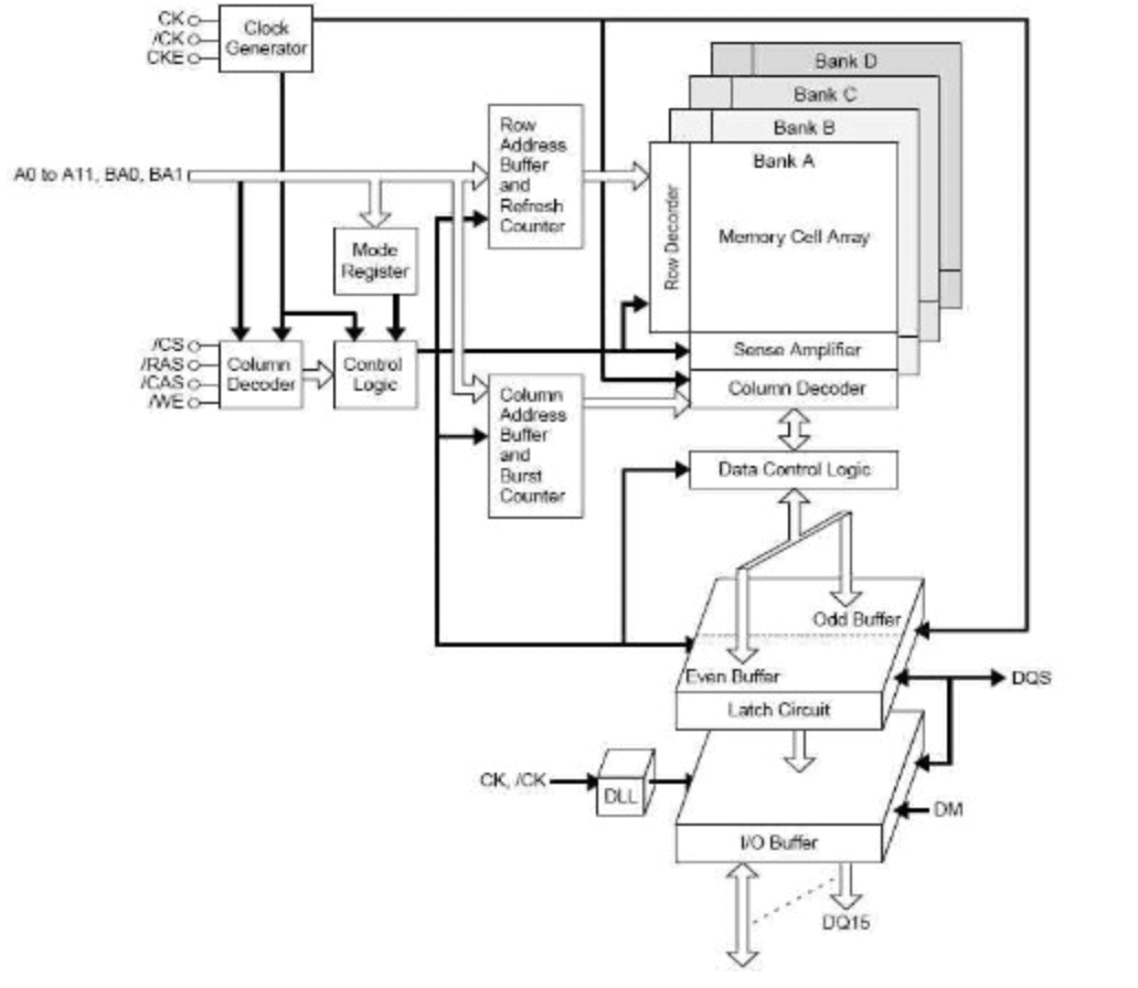
DRAM简介动态随机存取存储器(DynamicRandomAccessMemory,DRAM)是一种半导体存储器,主要的作用原理是利用电容内存储电荷的多寡来代表一个二进制比特(bit)是1还是0。由于在现实中晶体管会有漏电电流的现象,导致电容上所存储的电荷数量并不足以正确的判别数据,而导致数据毁损。因此对于DRAM来说,周期性地充电是一个无可避免的要件。由于这种需要定时刷新的特性,因此被称为“动态

芯城品牌采购网

11208

12月5日,DRAM大厂南亚科发布公告11月自结合并营收为新台币27.71亿元,较上月减少0.40%,较去年同期减少61.81%。累计合并营收为新台币545.52亿元,较去年同期减少30.65%。据TrendForce集邦咨询11月16日研究显示,南亚科(Nanya)因consumerDRAM产品比重高,第三季营收衰退达40.8%,衰退幅度为第三季前六大业者最甚。南亚科已于第四季小幅减少投片,但转

芯城品牌采购网

9466

根据TrendForce集邦咨询最新调查表示,疫情后紧张的物料情况已于今年下半年改善,短料的供货交期显著恢复。然而在物料供给无虞,需求可被满足的情况下,2023年的服务器整机出货量年成长预估仅3.7%,低于2022年的5.1%。TrendForce集邦咨询表示,成长趋缓受三大因素影响,其一,长短料问题纾缓后,买方同时也在调节过往的超额订单,故ODM订单也减少,但暂不至于影响2022年服务器整机出货

芯城品牌采购网

10500

当地时间11月1日,美光宣布正在向选定的智能手机制造商和芯片组运送其1βDRAM技术的合格样品合作伙伴,并已通过世界上最先进的DRAM技术节点实现了量产准备。据官方介绍,美光于2021年实现1αLPDDR5XDRAM批量出货,此次新的1β制程DRAM比1α制程DRAM功率效率提高15%,每区储存的位元数也增加35%。美光表示,随着LPDDR5X的出样,移动产品将率先从1βDRAM的提升中获益,提升

芯城品牌采购网

9703

当地时间11月1日,美光宣布正在向选定的智能手机制造商和芯片组运送其1βDRAM技术的合格样品合作伙伴,并已通过世界上最先进的DRAM技术节点实现了量产准备。据官方介绍,美光于2021年实现1αLPDDR5XDRAM批量出货,此次新的1β制程DRAM比1α制程DRAM功率效率提高15%,每区储存的位元数也增加35%。美光表示,随着LPDDR5X的出样,移动产品将率先从1βDRAM的提升中获益,提升

芯城品牌采购网

9370

据韩媒首尔经济日报引述产业人士消息,尽管全球经济减缓,但三星电子明年仍将扩大DRAM与晶圆代工的晶圆产能,并且新增多台EUV极紫外光微影曝光设备。DRAM方面,三星计划扩增其位于韩国平泽P3晶圆厂的DRAM产能。目前,三星P3厂DRAM产线的月产能为2万片12英寸晶圆,而三星计划通过扩增DRAM设备,将该厂的DRAM产能每月增加至7万片12英寸晶圆。不久前,三星宣布推出了业界最先进12纳米级高性能

芯城品牌采购网

11747

天气恶劣致美光DRAM工厂停电、瑞萨MCU厂停工-芯城品牌采购网

近日,日本今年第4号台风“艾利”在日本长崎县佐世保市附近登陆,影响了多家日本半导体工厂的生产和运营。美光日本厂停电,预估受影响产能规模有限昨天,美光披露,其位于日本广岛的DRAM制造厂于2022年7月8日突发停电,目前正在评估对近期供应的影响。据TrendForce集邦咨询的最新研报,美光此次突发停电预估受影响产能规模有限。TrendForce指出,以全球产能来看,该厂投片占比则约7%。主要投产制

芯城品牌采购网

9710